Simplicity Is The Ultimate Sophistication

A quote attributed to Da Vinci but more likely the work of playwright Clare Boothe Luce: "the height of sophistication is simplicity.”

A quote attributed to Da Vinci but more likely the work of playwright Clare Boothe Luce: "the height of sophistication is simplicity.”

Once upon a time, high end audio was minimalist audio. By 1980, the metronome had swung from 70's gear bristling with as many controls as could possibly fit on a chunky front panel to exiguous slabs of black metal, eschewing all but the indispensable. The Golden Age of Hi-Fi had begun. 

"Simple can be harder than complex: You have to work hard to get your thinking clean to make it simple. But it's worth it in the end because once you get there, you can move mountains."Steve Jobs 

"Simple can be harder than complex: You have to work hard to get your thinking clean to make it simple. But it's worth it in the end because once you get there, you can move mountains."

Steve Jobs
 

The first time I saw a Perreaux amplifier I was in my last year of high school. Of course, I couldn't afford to buy one. Even if I had the cash it would have been spent on one of those pretty champagne gold Pioneer or Marantz systems with which I had become, quite justifiably, enamoured. Years later, working on a Carlos Santana gig at Perth Entertainment Centre (the name drop is not gratuitous), I was surprised to see the entire band using Perreauxs as instrument amps on stage. The following day I bought a Perreaux 2150B and I've been recommending them ever since.

"The art of art, the glory of expression and the sunshine of the light of letters, is simplicity."

Walt Whitman
 

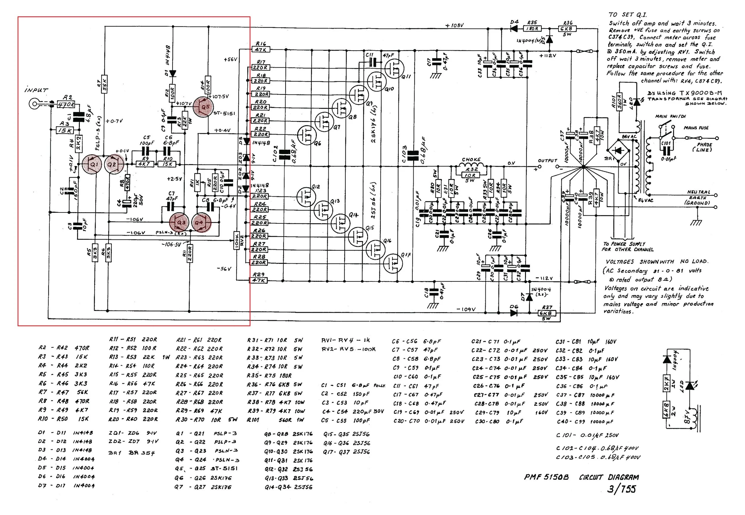
The key to the sonic sophistication of a vintage Perreaux amplifier is not its ridiculously high power or its build quality but its simplicity. Five transistors only are the heart of the circuit. When Hitachi released the Mosfets used as output devices (the device that actually moves the speaker) by Perreaux, Hafler and others, they, like most semiconductor manufacturers, supplied an application circuit. While Perreaux chose to use a variant of this ubiquitous, simple and effective circuit, Hafler reinvented the wheel with their far more complicated iteration; the result being a less reliable, lower powered, competent but sonically lackadaisical product. The red outlined part of the circuit below is common to all older Perreaux amplifiers: 

"Everything should be made as simple as possible, but no simpler."
Albert Einstein. 

Before you all go back to the whisky pages,I'm not going to get too technical here, I just want to point out how simple this incredibly effective circuit is. Ignore what is outside the red box; that is mostly the output stage and could be two to twelve Mosfets. They can be viewed as two devices, regardless of how many are put in parallel to provide more power. One moves your speaker forward, the other backward. They are told what to do by the preceding circuit; five transistors. Just five (the symbols shaded red). Every device, be it bipolar transistor, fet or valve, robbs the fragile audio signal of its fidelity, its subtlety, its integrity. More devices, less integrity. I used to get my students to build a three transistor power amplifier, just to demonstrate the basics of amplifier circuitry. I never actually bothered to listen to one until a former student dropped in to tell me how his project had just blown away a $6K amp in a city hi-fi shop. A mechanic once told me "if you're riding down the road and a part falls off your bike but the bike keeps going, you didn't need that part". Of course, there comes a point where further simplification of a circuit will reduce its effectiveness. The Perreaux is approaching that point and therefore close to the ideal; it's complexity is no more nor less than that which will provide the best result. A Naquadria circuit is even simpler due to its adoption of Fets throughout and that results in another sonic benefit; a very short signal path. This is the pointy end of a Naquadria Aeon:

"Simplicity is the final achievement. After one has played a vast quantity of notes and more notes, it is simplicity that emerges as the crowning reward of art."
Frédéric Chopin

Follow the rope from input to output. The signal path is incredibly short for a 140W RMS amplifier. The Perreaux is not far behind. It's not unusual for a big amp to have literally meters of signal path. View that thin copper line in the context of the difference your expensive cables made. In the case of an Aeon, and to a lesser extent a Perreaux, it simply wouldn't work with long signal paths as its speed and bandwidth would render it completely unstable. Yet a Krell with metres of signal track is stable. You will have already drawn the obvious and correct conclusion from those facts if you've made it this far.  

I recently replaced ten, five year old, JBL amplifiers (that had self-immolated) in my favorite local venue, Tilley's, with twentyfive year old refurbished Perreauxs. Why? The Perreauxs are more powerful, far more reliable, at a quarter century old will still have a much longer service life, are sonically vastly superior and are so simple a monkey could be trained to repair one. Unlike the ridiculously complex JBL's they replaced that were inferior by every empirical and subjective measure. I should mention, if you plan to use a professional version of the Perreaux, (6000, 8000, 9000 series) you should bypass the balanced input circuitry and everything associated with it and go straight into the amp boards. This circuitry was absent in the domestic versions. During the 80's, I was doing an average of eight gigs a week in Sydney. Around 1986 I replaced all the Jands J1000 transistor amplifiers in the EV rig I was using with H&H Mosfet amps. I was happy to take the credit for the lush sound that resulted but the real culprits were those Hitachi Mosfets.

So, brothers and sisters, what chance does this Yamaha surround amp have of facilitating that ethereal, illuminatory, sublime paramnesia one often enjoyed via a spartan black metal delivery device in 80's? 

"Simplicity is the keynote of all true elegance."Coco Chanel

"Simplicity is the keynote of all true elegance."
Coco Chanel

None whatsoever. Before you start throwing tomatoes at the screen, have a look at this simplified schematic which shows half of one of the simplest audio chips in the Yamaha, the ubiquitous NE5532 operational amplifier:  

 

I have just three things to teach: simplicity, patience, compassion. These three are your greatest treasures.Lao Tzu 

I have just three things to teach: simplicity, patience, compassion. These three are your greatest treasures.

Lao Tzu
 

While the 5532 op-amps (there are dozens of them) in this amplifier may contain hundreds of components, other chips will contain thousands, tens of thousands. This is like taking a spectacular whisky and filtering it a few thousand times. The basic components are still there but the nuance, character and in fact most of the flavour are forever lost. Those of you currently straining your music through an amp such as, hmmmm, so many examples, let's pick on McIntosh, should not be amused to know that the first thing the incoming signal sees is a couple of the 5532 circuits above. There are more transistors, many times more, in these cheap chips, than everything else in the rest of the amplifier combined. Listen: most of the components you paid for in your twelve thousand dollar amplifier reside in these twelve cent chips. This is not my opinion, it is a simple, indisputable fact. And it's killing your music. 

William Crampton

 

"Truth is ever to be found in simplicity, and not in the multiplicity and confusion of things."

Isaac Newton